11年專業銷售工程師-徐工
15年專業銷售工程師-謝工
9年專業銷售工程師-王工
6年銷售工程師-張工
項目產品選型、技術指導高級電器工程師-李工
| 分類 | |
| 品牌 |
| 分類 | |
| 品牌 |
| 分類 | |
| 品牌 |
| 分類 |
|
| 品牌 |
|
優勢一:廣州南創是一家大型傳感器、儀器儀表、工業備品備件供應商!中國傳感器聯合會誠信“AAA”級成員,多家世界知名傳感企業中國市場開拓核心合作伙伴;
優勢二:完善的全國銷售服務網絡:12個區域辦事處、20個分公司、遍布全國的售后服務網點,為您及時便捷實現上門無憂售后服務;
優勢三:為國內多家知名大中型工業企業、航天工業企業提供國際工業自動化控制檢測設備及工業稱重系統和傳感器設備儀表,緊密依托中科院及清華大學的技術支持合作交流。技術、產品可靠值得信賴;
優勢四:鄭重承諾:三個月內產品有質量問題無條件退換貨;
優勢五:資深工程師為您提供全方位完善的一條龍銷售服務指導,售前專業方案設計、產品選型指導,售中安裝調試,售后三年上門免費跟蹤維修服務;
優勢六:全國優勢價格支持銷售,凡在我們公司購買產品,如果同類產品高于主流市場價格,我們雙倍補還差價,性價比高!
優勢七:我公司在國外設有7個境外專業采購中心,保證原裝進口,貨期快捷,價格具有優勢,可靠、放心
優勢八:我公司代理經銷169個品牌,全國同類產品系列全、品種多、多家知名企業中國合作伙伴代理。
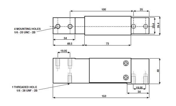
美國特迪亞稱重傳感器1140-75kg系列詳細信息請點擊:美國Tedea-huntleigh稱重傳感器;可查找了解MODEL NO 1140-75kg傳感器具體技術參數及相關系列產品型號等信息。
品牌:美國TEDEA-HUNTLEIGH 1140-75kg稱重傳感器
名稱:不銹鋼單點式傳感器
型號:s型稱重傳感器
線性度:0.02(%F.S.)
遲滯:0.02(%F.S.)
重復性:0.02(%F.S.)
漂移:0.005
量程15-150KG
不銹鋼結構
單點秤盤尺寸400MM*400MM
防護等級IP65
可供英制螺紋
可選特性:取得ATEX EEX ia IIC T4防爆認證 FM認證 防護等級IP65
應用:惡劣環境下的小平臺秤 惡劣環境下的分檢秤
Tedea 1140 單點式稱重傳感器所有型號:
1140-15kg
1140-20kg
1140-30kg
1140-50kg
1140-75kg
1140-100kg
1140-150kg

美國特迪亞1140-15kg稱重傳感器技術參數值的單位
額定capacity-r.c.(EMAX)15,20,30,50,75,100,150公斤
NTEP / OIML精度等級不批準
的時間間隔的最大號(N)3000
額定output-r.o. 2 MV / V
額定輸出誤差0.2±MV / V
零平衡0.2±MV / V
歸零,30分鐘,0.0170±%的載荷
總誤差(每0.0200±OIML R60)%額定輸出
溫度零上0.004±%額定輸出/°C的影響
溫度對輸出0.0010±%負載/°C的影響
偏心加載錯誤0.0074±%額定負載/厘米
溫度補償范圍,10到40°C
的溫度范圍內,安全- 20 + 70°C
最大安全中心超載150%鋼筋混凝土
鋼筋混凝土極限中樞超載300%
激勵,推薦10 VDC或VAC RMS
激勵,最大15 VDC或VAC RMS
385±15歐姆的輸入阻抗
350±輸出阻抗3歐姆
絕緣電阻>2000百萬歐姆
電纜長度1米
電纜式6絲,PVC,單一的浮動屏幕標準
特種不銹鋼
環境保護等級IP65 *
平臺的尺寸(最大)400×400毫米
推薦的扭矩
到30公斤:750kg上:10n×m


美國TEDEA-HUNTLEIGH 1140-15kg稱重傳感器描述
模型1140是一種低剖面單點載荷電池設計用于直接安裝低稱重平臺的成本。
小的物理尺寸,結合高精度、低成本,使這負載細胞適合低調板凳與計數秤。用于沖洗一個可選IP65保護封裝有效的保護。
由不銹鋼高準確的負荷細胞是通過工廠互等嚴格審批標準。
兩個額外的感測線的反饋電壓達到負載細胞。的變化,完全補償引線電阻因溫度變化和/或延長線,是通過將該電壓到適當的電子。
在閱讀美國特迪亞1140-75kg稱重傳感本文的人還相關閱讀了以下文章為參考:
1140-30kg_美國特迪亞1140-30kg稱重傳感_MODEL NO 1140-30kg傳感器
1140-20kg_美國特迪亞1140-20kg稱重傳感_MODEL NO 1140-20kg傳感器
1140-15kg_美國特迪亞1140-15kg稱重傳感_MODEL NO 1140-15kg傳感器
本站內容未經許可禁止復制轉載!©2002 廣州南創電子科技有限公司
聯系電話:020-82303306 公司傳真:020-82303511下班及雙休日請撥打各品牌負責人電話電話詳情
備案號: 粵ICP備11086172號-1