11年專業銷售工程師-徐工
15年專業銷售工程師-謝工
9年專業銷售工程師-王工
6年銷售工程師-張工
項目產品選型、技術指導高級電器工程師-李工
| 分類 | |
| 品牌 |
| 分類 | |
| 品牌 |
| 分類 | |
| 品牌 |
| 分類 |
|
| 品牌 |
|
優勢一:廣州南創是一家大型傳感器、儀器儀表、工業備品備件供應商!中國傳感器聯合會誠信“AAA”級成員,多家世界知名傳感企業中國市場開拓核心合作伙伴;
優勢二:完善的全國銷售服務網絡:12個區域辦事處、20個分公司、遍布全國的售后服務網點,為您及時便捷實現上門無憂售后服務;
優勢三:為國內多家知名大中型工業企業、航天工業企業提供國際工業自動化控制檢測設備及工業稱重系統和傳感器設備儀表,緊密依托中科院及清華大學的技術支持合作交流。技術、產品可靠值得信賴;
優勢四:鄭重承諾:三個月內產品有質量問題無條件退換貨;
優勢五:資深工程師為您提供全方位完善的一條龍銷售服務指導,售前專業方案設計、產品選型指導,售中安裝調試,售后三年上門免費跟蹤維修服務;
優勢六:全國優勢價格支持銷售,凡在我們公司購買產品,如果同類產品高于主流市場價格,我們雙倍補還差價,性價比高!
優勢七:我公司在國外設有7個境外專業采購中心,保證原裝進口,貨期快捷,價格具有優勢,可靠、放心
優勢八:我公司代理經銷169個品牌,全國同類產品系列全、品種多、多家知名企業中國合作伙伴代理。
托利多稱重傳感器詳細信息請點擊:Mettler Toledo稱重傳感器查看最新報價,提供選型服務。
【廣州★南創】公司:有賣梅特勒托利多Mettler Toledo 0745A-2.2稱重傳感器生產廠家價格,托利多0745A-2.2傳感器多少錢打020-82303306供應商 電話了解信息,現貨原裝進口、保證滿意!
0745A-2.2稱重傳感器是本公司的重點優勢產品之一,擁有絕對優勢價格,現貨、原裝、正品、可靠!保證滿意價格質量!
產品品牌:梅特勒托利多0745A-2.2稱重傳感器
產品類別:梅特勒托利多剪切梁式稱重傳感器
產品系列:托利多稱重傳感器0745A-2.2系列
產品價格:電議或面議

托利多0745A-2.2稱重傳感器技術指標:
不重復性%R.O.≤0.01
靈敏度 mV/V 2 ± 0.002
0745A-2.2稱重傳感器滯后 %R.O. ≤0.02
非線性 %R.O. ± 0.02
0745A-2.2T傳感器蠕變(30 分) %R.O. ≤±0.02
零點輸出 %R.O. ≤± 1
溫度系數 C -10~+40
0745A-2.2稱重傳感器工作溫度范圍 C -20~+65
輸入阻抗 Ω 381 ± 4
輸出阻抗 Ω 350 ± 1
0745A-2.2傳感器絕緣電阻 MΩ ≥5000(直流50V)
安全過載 %R.C. 150
極限過載 %R.C. 300
建議激勵電壓 V(DC/AC) 5~15
最大激勵電壓 V(DC/AC) 20
防護等級 IP65(TSC), IP67(0745A-2.2 )
0745A-2.2T稱重傳感器電纜長度 5m
靈敏度溫度系數%Load/ C ≤±0.002
零點溫度系數 %R.O./ C ≤± 0.002
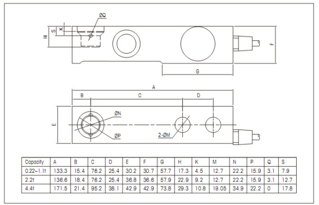
梅特勒托利多0745A-2.2傳感器選型圖:


Mettler Toledo托利多 0745A-2.2稱重傳感器主要特性:
•0745A-2.2T稱重傳感器不銹鋼
•密封設計
•IP68防護等級
該0745A-2.2T傳感器被批準用于各種各樣的應用
在歐洲,亞洲,美國和幾乎其他所有地方
在世界上。如果獲得批準,該METTLER TOLEDO0745A-2.2t
可能已從。
即使危險區域后,需要的是,0745A-2.2T稱重傳感器已經準備好了。
全球的使用
完全準確和安全
托利多0745A-2.2T稱重傳感器負荷。
托利多Mettler Toledo 0745A-2.2梅特勒稱重傳感器所有型號:
托利多稱重傳感器0745A-4.4
梅特勒托利多0745A-1.1
托利多0745A-2.2T稱重傳感器
METTLER TOLEDO稱重傳感器
METTLER TOLEDO 0745A-2.2傳感器
0745A-2.2稱重傳感器0745A-
托利多 0745A-2.2稱重傳感器 0745A-2.2
梅特勒托利多稱重傳感器 0745A-2.2
梅0745A-2.2T稱重傳感器其他相關型號及量程具體詳細信息:
0745A-2.2請點擊: 0745A-2.2稱重傳感器
如果您對0745A-2.2稱重傳感器現貨、價格、產品資料、圖片、貨期、發貨方式、托利多0745A-2.2稱重傳感器技術參數有什么疑問,請 我們銷售商獲取梅特勒托利多0745A-2.2稱重傳感器最新信息歡迎來電咨詢專業負責原裝進口0745A-2.2傳感器相關負責工程師。
本站內容未經許可禁止復制轉載!©2002 廣州南創電子科技有限公司
聯系電話:020-82303306 公司傳真:020-82303511下班及雙休日請撥打各品牌負責人電話電話詳情
備案號: 粵ICP備11086172號-1