11年專業銷售工程師-徐工
15年專業銷售工程師-謝工
9年專業銷售工程師-王工
6年銷售工程師-張工
項目產品選型、技術指導高級電器工程師-李工
| 分類 | |
| 品牌 |
| 分類 | |
| 品牌 |
| 分類 | |
| 品牌 |
| 分類 |
|
| 品牌 |
|
優勢一:廣州南創是一家大型傳感器、儀器儀表、工業備品備件供應商!中國傳感器聯合會誠信“AAA”級成員,多家世界知名傳感企業中國市場開拓核心合作伙伴;
優勢二:完善的全國銷售服務網絡:12個區域辦事處、20個分公司、遍布全國的售后服務網點,為您及時便捷實現上門無憂售后服務;
優勢三:為國內多家知名大中型工業企業、航天工業企業提供國際工業自動化控制檢測設備及工業稱重系統和傳感器設備儀表,緊密依托中科院及清華大學的技術支持合作交流。技術、產品可靠值得信賴;
優勢四:鄭重承諾:三個月內產品有質量問題無條件退換貨;
優勢五:資深工程師為您提供全方位完善的一條龍銷售服務指導,售前專業方案設計、產品選型指導,售中安裝調試,售后三年上門免費跟蹤維修服務;
優勢六:全國優勢價格支持銷售,凡在我們公司購買產品,如果同類產品高于主流市場價格,我們雙倍補還差價,性價比高!
優勢七:我公司在國外設有7個境外專業采購中心,保證原裝進口,貨期快捷,價格具有優勢,可靠、放心
優勢八:我公司代理經銷169個品牌,全國同類產品系列全、品種多、多家知名企業中國合作伙伴代理。
美國特迪亞稱重傳感器220-5T系列詳細信息請點擊:美國Tedea-huntleigh稱重傳感器;可查找了解MODEL 220-5T傳感器具體技術參數及相關系列產品型號等信息。
品牌:美國特迪亞稱TEDEA-HUNTLEIGH 220-10T稱重傳感器
名稱:高精度壓力傳感器
特性:單點式稱重傳感器
量程5T-50T
不銹鋼結構
取得OIML R60和NTEP認證
防護等級IP68
可選特性:取得ATEX EEX ia IIC T6防爆認證 FM防爆認證 防護等級IP68
應用:汽車衡 過程控制的料斗稱重 罐體或筒槽稱重 惡劣的使用環境
美國特迪亞稱TEDEA-HUNTLEIGH 稱重傳感器特征
•能力5—50噸
•不銹鋼結構
•OIML R60和NTEP批準
•IP68防護
可選功能
•EEx ia IIC T6危險區域批準
•FM批準可用

特迪亞稱TEDEA-HUNTLEIGH 傳感器描述
模型220是一種低剖面彎環負載
電池設計的高容量的稱重
應用,包括地秤,
坦克,筒倉和高容量的平臺
尺度以及力的測量。
它的小尺寸,結合高
精度和較低的成本,使該負載單元
非常適合現代低調
在批準的設計和應用
過程稱重。
這種高精度的傳感器廠
相互認可和OIML R60
6000部門的批準。危險
環境,該負載單元具有一個EEx ia
IIC T6批準選項。當結合
隨著TEDEA超聲波安裝
配件,這將提供一個負載細胞
簡單的,精確的和可靠的稱重
系統。
應用
•汽車衡
•料斗過程
稱重
•罐和筒倉稱重
•惡劣環境

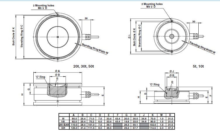
美國特迪亞稱TEDEA-HUNTLEIGH 稱重傳感器技術參數值的單位
額定capacity-r.c.(EMAX)5000,10000,20000,30000,50000×××公斤
NTEP / OIML精度NTEP C1 C3 C4 * * *
的時間間隔的最大號(N)iiil多1000 3000 4000 10000
y=Emax / Vmin 11000 5000 14000 14000
額定output-r.o. 2 MV / V
額定輸出誤差0.1±%額定輸出
額定輸出±%的零平衡2
歸零,30分鐘0.0330 0.0500 0.0170 0.0125±%的載荷
總誤差(每OIMP R60)0.0200 0.0500 0.0200 0.0150±%額定輸出
溫度在零0.0023 0.0028 0.0010 0.0010±%額定輸出/°C的影響
溫度對輸出0.001 0.0020 0.0010 0.0008±%的載荷/°C的影響
溫度補償范圍,10到40°C
的溫度范圍內,安全- 30 + 70°C
最大安全中心超載150%鋼筋混凝土
鋼筋混凝土極限中樞超載300%
激勵,推薦10 VDC或VAC RMS
激勵,最大20 VDC或VAC RMS
1065±60歐姆的輸入阻抗
1025±輸出阻抗20歐姆
絕緣電阻>2000百萬歐姆
電纜長度500萬(5T),10m,20m(10和2)(30噸)M
電纜式6線,編織,聚氨酯,雙浮動屏幕標準
特種不銹鋼
環境保護等級IP68
規格
* 20%的利用
××40%利用
*** 5-20噸能力在C6 45%利用

在閱讀本文的人還相關閱讀了以下文章為參考:
HLCBC3/220KG HBM HLCBC3/1760KG傳感器 HLCBC3/4400KG稱重傳感器
HLCF1/220kg,HBM HLCF1/1.1t傳感器,HLCF1/1.76t稱重傳感器
本站內容未經許可禁止復制轉載!©2002 廣州南創電子科技有限公司
聯系電話:020-82303306 公司傳真:020-82303511下班及雙休日請撥打各品牌負責人電話電話詳情
備案號: 粵ICP備11086172號-1