11年專業銷售工程師-徐工
15年專業銷售工程師-謝工
9年專業銷售工程師-王工
6年銷售工程師-張工
項目產品選型、技術指導高級電器工程師-李工
| 分類 | |
| 品牌 |
| 分類 | |
| 品牌 |
| 分類 | |
| 品牌 |
| 分類 |
|
| 品牌 |
|
優勢一:廣州南創是一家大型傳感器、儀器儀表、工業備品備件供應商!中國傳感器聯合會誠信“AAA”級成員,多家世界知名傳感企業中國市場開拓核心合作伙伴;
優勢二:完善的全國銷售服務網絡:12個區域辦事處、20個分公司、遍布全國的售后服務網點,為您及時便捷實現上門無憂售后服務;
優勢三:為國內多家知名大中型工業企業、航天工業企業提供國際工業自動化控制檢測設備及工業稱重系統和傳感器設備儀表,緊密依托中科院及清華大學的技術支持合作交流。技術、產品可靠值得信賴;
優勢四:鄭重承諾:三個月內產品有質量問題無條件退換貨;
優勢五:資深工程師為您提供全方位完善的一條龍銷售服務指導,售前專業方案設計、產品選型指導,售中安裝調試,售后三年上門免費跟蹤維修服務;
優勢六:全國優勢價格支持銷售,凡在我們公司購買產品,如果同類產品高于主流市場價格,我們雙倍補還差價,性價比高!
優勢七:我公司在國外設有7個境外專業采購中心,保證原裝進口,貨期快捷,價格具有優勢,可靠、放心
優勢八:我公司代理經銷169個品牌,全國同類產品系列全、品種多、多家知名企業中國合作伙伴代理。
特性:
同系列產品兩座橋的溫度補償電阻的橋梁,而意大利N.B.C.Elettronica AH-100kg稱重傳感器另一電阻器電路是用來調整橋的初始平衡,額定輸出和輸入電阻和其他參數所指定的值,負荷傳感器實際上是信號的 質量指成可測量的電信號輸出。
產品名稱:意大利NBC Elettronica AH-100kg 稱重傳感器
產品型號:AH-100kg
產品類型:懸臂梁式稱重傳感器

特點應用:
為了提高其性能,特別是提高了溫度特性,通常連接到一個零點和應變計的溫度補償電路的靈敏度。即除了應變計,但是這也增加了各 種補償電阻。意大利NBC Elettronica稱重傳感器AH-100kg其目的是最小化零補償零點橋隨溫度的變化。因此,除了應變計本身從外部溫度補償。
產品優勢:
其中包括一個可選不銹鋼組件提供腐蝕高度(不包括K系 列),具有堅固的外殼,適合在惡劣環境下的電源過載保護應用。
一般的工業設備,例如,需求增加的傳感器,具有詳細的測量元件,其功能和精確度得以提高,用戶友好的操作和保護。
參數:
輸入電阻-10°C〜+40°C輸出電阻150%FS
絕緣電阻2毫伏/ V±0.1%綜合誤差//1200012000
非重復性-15°C〜+70°C蠕變30分鐘。 ±0,01毫伏/視頻
零點溫度(5℃)額定輸出溫度(5℃)
補償溫度范圍<±0.03%FS<±0.024%FS<±0.018%FS
工作溫度范圍<±0.015%FS<±0,008%FS<±0,007%FS
最大安全負載<±0.025%FS<±0,022%FS<±0.018%FS
極限荷載<±0,008%FS<±0,003%FS<±0.0025%FS
防護等級(EN60529)材料Acciaio Inox公司公司 - 不銹鋼
的固定螺絲擰緊力矩<±0.02%FS<±0.018%FS<±0.01%FS
電纜長度5M - 6×0,14 mm2的測試證書 - 幾個標準OIML C3 OIML C4
當平衡溫度:溫度0.1%RO/10℃輸出:0.05%LOAD/10℃
非線性:0.3%RO滯后:0.3%RO安全載荷:150%RC
重復性:0.3%RO安全溫度范圍:-20℃〜80℃

意大利NBC Elettronica稱重傳感器部分型號介紹:
S型稱重傳感器
Mod SU:2kg公斤,5kg公斤,10kg公斤,20kg公斤,50kg公斤
Mod SU Radio:6300kg公斤
Mod St(噸)1:100-1000kg公斤,2000-2500kg公斤
Mod St(噸)2:5000kg公斤,7500kg公斤,10000kg公斤,15000kg公斤,20000kg公斤
Mod SX:150kg公斤,200kg公斤,300kg公斤,500kg公斤,1000kg公斤,2000kg公斤,2500kg公斤,3000kg公斤,5000kg公斤,7500kg公斤,10000kg公斤,15000kg公斤
輪輻式及柱式稱重傳感器
Mod CM:250kg公斤,500kg公斤,1000kg公斤,2500kg公斤,5000kg公斤,7500kg公斤,10000kg公斤,15000kg公斤,20000kg公斤,25000kg公斤,35000kg公斤,50000kg公斤
Mod CO:5t(噸),10t(噸),15t(噸),20t(噸),25t(噸)
Mod t(噸)A:0.5t(噸),1t(噸),2t(噸),5t(噸),10t(噸),20t(噸),30t(噸),50t(噸),60t(噸)
Mod KX:10t(噸),25t(噸),30t(噸),50t(噸)
Mod Ct(噸):30t(噸),60t(噸),100t(噸),200t(噸),300t(噸),500t(噸)
Mod EP:25kg公斤,50kg公斤,150kg公斤,150-300kg公斤,600kg公斤
Mod EC:15kg公斤,25kg公斤,50kg公斤,100kg公斤,200kg公斤
懸臂梁傳感器
Mod CD:100kg公斤,150kg公斤,200kg公斤,250kg公斤,300kg公斤,400kg公斤
Mod CF:75kg公斤,100kg公斤,200kg公斤,300kg公斤
Mod CN/L:7.5kg公斤,15kg公斤,30kg公斤,50kg公斤,60kg公斤,75kg公斤
Mod CN/H:60kg公斤,120kg公斤,200kg公斤,250kg公斤,300kg公斤
稱重儀表
Mod SA01
Mod SD01/SD01(A+B)
Mod SD03
Mod SU01
Mod tB01
Mod tL01
波紋管傳感器
Mod g公斤X:10kg公斤,15kg公斤,20kg公斤,25kg公斤,30kg公斤,50kg公斤,75kg公斤,100kg公斤,150kg公斤,200kg公斤,250kg公斤 AH-100kg公斤
Mod g公斤L:10kg公斤,15kg公斤,20kg公斤,25kg公斤,50kg公斤,75kg公斤,100kg公斤,150kg公斤,200kg公斤,250kg公斤,300kg公斤,500kg公斤,750kg公斤
Mod Ft(噸):100kg公斤,200kg公斤,300kg公斤,350kg公斤,500kg公斤
Mod FB:250kg公斤,500kg公斤,1000kg公斤,1760kg公斤,Mod PI:0.5-100t(噸)
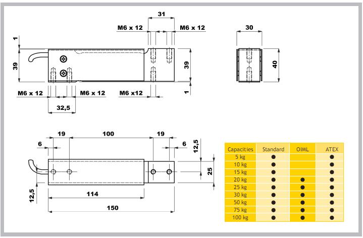
Mod AH:5kg公斤,10kg公斤,15kg公斤,20kg公斤,25kg公斤,30kg公斤,50kg公斤,75kg公斤,100kg公斤
Mod BH:50kg公斤,75kg公斤,100kg公斤,150kg公斤
Mod CH:150kg公斤,300kg公斤,500kg公斤,750kg公斤
2500kg公斤,5000kg公斤
Mod FH:500kg公斤,15000kg公斤,1000kg公斤,2500kg公斤,3000kg公斤,1760kg公斤,5000kg公斤,10000kg公斤,
Mod FX:1t(噸),2t(噸),3t(噸),5t(噸),10t(噸)

溫度范圍:
不同組分的電阻和電阻應變儀電橋如銅或鎳電阻電阻器等,以提高補償的溫度系數的溫度系數。補償靈敏度的目的是為了減小輸出電壓隨溫度的變化,意大利NBC Elettronica稱重傳感器AH-100kg傳感器彈性模量的彈性體和補償應變計靈敏度系數隨溫度的變化。
與意大利NBC Elettronica稱重傳感器AH-100kg產品類似,其它可替代產品:
(請點擊帶顏色地方)
本站內容未經許可禁止復制轉載!©2002 廣州南創電子科技有限公司
聯系電話:020-82303306 公司傳真:020-82303511下班及雙休日請撥打各品牌負責人電話電話詳情
備案號: 粵ICP備11086172號-1