11年專業銷售工程師-徐工
15年專業銷售工程師-謝工
9年專業銷售工程師-王工
6年銷售工程師-張工
項目產品選型、技術指導高級電器工程師-李工
| 分類 | |
| 品牌 |
| 分類 | |
| 品牌 |
| 分類 | |
| 品牌 |
| 分類 |
|
| 品牌 |
|
優勢一:廣州南創是一家大型傳感器、儀器儀表、工業備品備件供應商!中國傳感器聯合會誠信“AAA”級成員,多家世界知名傳感企業中國市場開拓核心合作伙伴;
優勢二:完善的全國銷售服務網絡:12個區域辦事處、20個分公司、遍布全國的售后服務網點,為您及時便捷實現上門無憂售后服務;
優勢三:為國內多家知名大中型工業企業、航天工業企業提供國際工業自動化控制檢測設備及工業稱重系統和傳感器設備儀表,緊密依托中科院及清華大學的技術支持合作交流。技術、產品可靠值得信賴;
優勢四:鄭重承諾:三個月內產品有質量問題無條件退換貨;
優勢五:資深工程師為您提供全方位完善的一條龍銷售服務指導,售前專業方案設計、產品選型指導,售中安裝調試,售后三年上門免費跟蹤維修服務;
優勢六:全國優勢價格支持銷售,凡在我們公司購買產品,如果同類產品高于主流市場價格,我們雙倍補還差價,性價比高!
優勢七:我公司在國外設有7個境外專業采購中心,保證原裝進口,貨期快捷,價格具有優勢,可靠、放心
優勢八:我公司代理經銷169個品牌,全國同類產品系列全、品種多、多家知名企業中國合作伙伴代理。
【廣州★南創】有賣美國(MKcells)柯力稱重傳感器SQB-3T,有關SQB-3T傳感器多少錢、價格如何、產品是否正品、質量是否有保證等問題都可電話咨詢020-82303306,我們絕對為您耐心解答,同時為您提供最好的產品和最優質的服務,歡迎來電。
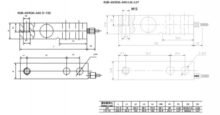
SQB-3T傳感器介紹:美國(MKcells)稱重傳感器SQB-3T是一種懸臂梁式稱重傳感器,懸臂梁結構由于支點負彎矩的卸載作用,跨中彎矩大大減小;由于彎矩圖面積減小,跨越能力增大;靜定結構對地基要求不高; 由于跨中有接縫,支撐條件很好;而且SQB-3T傳感器的合金鋼材料讓它非常的耐用和防腐蝕、防水、防風、防被偷等,SQB-3T稱重傳感器適用的場合很多,不過最主要的應用還是平臺秤、配料控制系統、低平臺秤。
訂購專線: 020-82303306

技術參數特點:
柯力SQB-3T傳感器的設計采用了特殊的專利技術,傳感器敏感元件的檢測電路確保了獨特低溫性能和良好的長期穩定性。
SQB-3T傳感器線性度:111 (% FS )遲滯: 111 (%FS)綜合誤差± 0.03% 零點平衡:±1%F.S
SQB-3T傳感器有多種可選的替代傳感器材料,可選防水罩面,環氧樹脂涂層,可滿足各種稱重介質的要求SB -A - 7.5T傳感器壓力溫度最高可達到500ssi @ 77 ℃( 3BAC @ 25 ℃) ,重2-7磅,
重復性:最大設定點的±2% @ 70 ℉ (20℃) ,安全負載150 % , SB -A - 7.5T傳感器激勵電壓為24VDC 。( EX )線,輸出4-20mA電流信號,輸出為容易調整輸出單位的單點輸出模式
美國柯力SQB-3T傳感器蠕變( % FS/30min ) ≤ ± 0.060 ≤ ± 0.017在中小電路的 DC ? 100KHZ之間的精確度, 最大激勵電壓:15VDC
SQB-3T稱重傳感器伴熱,低溫保護溫控器是專門用于低溫熱保護,跟蹤和應用而設計的,濕度: 20%-80%存儲溫度:-20-60℃
美國柯力SQB-3T傳感器滿足CMC和OIML的認證和cUL和CE標準( SPDT或DPDT )電氣接口1/2“ NPTF接口, 2 7/8 ”直徑擊倒。
新TouchID指紋掃描儀和M7運動協處理器,等等,這些都是利用托利多傳感器改變的突破點和銷售
SQB-3T傳感器獨特的V / F曲線補償算法, 0.5Hz的高扭矩輸出為180 % ,有效地解決了低負載轉矩不足的問題,
SQB-3T稱重傳感器一般都需要在制造時,附加的溫度補償應變計,使傳感器受溫度變化的影響小。
傳感器SQB-3T的最大計數:110% ?2500 %的最高測試成績: 2000年至6000
美國柯力SQB-3T傳感器蠕變( % FS/30min ) ≤ ± 0.060 ≤ ± 0.017在中小電路, DC ? 100KHZ之間的精確度,綜合誤差≤ ± 0.0483 ≤ ± 0.0434 ≤ ± 0.021
美國柯力SQB-3T傳感器ILCB的使用溫度范圍( V ) 6 ? 12( DC ) RMS / 50HZ /每分鐘
SQB-3T傳感器的輸出阻抗( Ω ) 200 ±9 ( -54-71 )漂移是小于2%零輸出的影響( %FS/10℃ )SQB-3T傳感器≤ ± 0.023 0:00輸出(%FS) 1.5配鏡環境: 0.1bar ? 7巴符合NEMA 4X要求支持多VHND MV ( 5個) :3.12 ± 0.0103 2.0 ± ≤ ± 0.047,0.0102 2 。 ≤± 0.021 ≤ ± 0.003 ≤ ± 0012



熱賣型號:
柯力(MKcells)SQB-0.25T傳感器
柯力(MKcells)SQB-0.3T傳感器
柯力(MKcells)SQB-0.5T傳感器
柯力(MKcells)SQB-0.75T傳感器
柯力(MKcells)SQB-1T傳感器
柯力(MKcells)SQB-1.5T傳感器
柯力(MKcells)SQB-2T傳感器
柯力(MKcells)SQB-2.5T傳感器
柯力(MKcells)SQB-3T傳感器
柯力(MKcells)SQB-5T傳感器
柯力(MKcells)SQB-7.5T傳感器
柯力(MKcells)SQB-10T傳感器
柯力(MKcells)SQB-250kg稱重傳感器
柯力(MKcells)SQB-500kg稱重傳感器
柯力(MKcells)SQB-750kg稱重傳感器
柯力(MKcells)SQB-1000kg稱重傳感器
柯力(MKcells)SQB-1500kg稱重傳感器
柯力(MKcells)SQB-2000kg稱重傳感器
柯力(MKcells)SQB-2500kg稱重傳感器
柯力(MKcells)SQB-3000kg稱重傳感器
柯力(MKcells)SQB-5000kg稱重傳感器
柯力(MKcells)SQB-7500kg稱重傳感器
柯力(MKcells)SQB-10000kg稱重傳感器
柯力(MKcells)SQB-300kg稱重傳感器
柯力(MKcells)SQB-A-0.25T傳感器
柯力(MKcells)SQB-A-0.3T傳感器
柯力(MKcells)SQB-A-0.5T傳感器
柯力(MKcells)SQB-A-0.75T傳感器
柯力(MKcells)SQB-A-1T傳感器
柯力(MKcells)SQB-A-1.5T傳感器
柯力(MKcells)SQB-A-2T傳感器
柯力(MKcells)SQB-A-2.5T傳感器
柯力(MKcells)SQB-A-3T傳感器
柯力(MKcells)SQB-A-5T傳感器
柯力(MKcells)SQB-A-7.5T傳感器
柯力(MKcells)SQB-A-10T傳感器
柯力(MKcells)SQB-A-250kg稱重傳感器
柯力(MKcells)SQB-A-500kg稱重傳感器
柯力(MKcells)SQB-A-750kg稱重傳感器
柯力(MKcells)SQB-A-1000kg稱重傳感器
柯力(MKcells)SQB-A-1500kg稱重傳感器
柯力(MKcells)SQB-A-2000kg稱重傳感器
柯力(MKcells)SQB-A-2500kg稱重傳感器
柯力(MKcells)SQB-A-3000kg稱重傳感器
柯力(MKcells)SQB-A-5000kg稱重傳感器
柯力(MKcells)SQB-A-7500kg稱重傳感器
柯力(MKcells)SQB-A-10000kg稱重傳感器
柯力(MKcells)SQB-A-300kg稱重傳感器
柯力(MKcells)SQB-ASS-0.25T傳感器
柯力(MKcells)SQB-ASS-0.3T傳感器
柯力(MKcells)SQB-ASS-0.5T傳感器
柯力(MKcells)SQB-ASS-0.75T傳感器
柯力(MKcells)SQB-ASS-1T傳感器
柯力(MKcells)SQB-ASS-1.5T傳感器
柯力(MKcells)SQB-ASS-2T傳感器
柯力(MKcells)SQB-ASS-2.5T傳感器
柯力(MKcells)SQB-ASS-3T傳感器
柯力(MKcells)SQB-ASS-5T傳感器
柯力(MKcells)SQB-ASS-7.5T傳感器
柯力(MKcells)SQB-ASS-10T傳感器
柯力(MKcells)SQB-ASS-250kg稱重傳感器
柯力(MKcells)SQB-ASS-500kg稱重傳感器
柯力(MKcells)SQB-ASS-750kg稱重傳感器
柯力(MKcells)SQB-ASS-1000kg稱重傳感器
柯力(MKcells)SQB-ASS-1500kg稱重傳感器
柯力(MKcells)SQB-ASS-2000kg稱重傳感器
柯力(MKcells)SQB-ASS-2500kg稱重傳感器
柯力(MKcells)SQB-ASS-3000kg稱重傳感器
柯力(MKcells)SQB-ASS-5000kg稱重傳感器
柯力(MKcells)SQB-ASS-7500kg稱重傳感器
柯力(MKcells)SQB-ASS-10000kg稱重傳感器
柯力(MKcells)SQB-ASS-300kg稱重傳感器
以上信息是美國柯力(MKcells)SQB-3T稱重傳感器的簡單介紹,如果您對柯力SQB-3T傳感器的產品特性、型號參數、量程、價格廠家有需要了解的地方,請務必認準中國正式一級供應商【廣州南創】獲取SQB-3T傳感器最新產品相關信息。
本站內容未經許可禁止復制轉載!©2002 廣州南創電子科技有限公司
聯系電話:020-82303306 公司傳真:020-82303511下班及雙休日請撥打各品牌負責人電話電話詳情
備案號: 粵ICP備11086172號-1