11年專業銷售工程師-徐工
15年專業銷售工程師-謝工
9年專業銷售工程師-王工
6年銷售工程師-張工
項目產品選型、技術指導高級電器工程師-李工
| 分類 | |
| 品牌 |
| 分類 | |
| 品牌 |
| 分類 | |
| 品牌 |
| 分類 |
|
| 品牌 |
|
優勢一:廣州南創是一家大型傳感器、儀器儀表、工業備品備件供應商!中國傳感器聯合會誠信“AAA”級成員,多家世界知名傳感企業中國市場開拓核心合作伙伴;
優勢二:完善的全國銷售服務網絡:12個區域辦事處、20個分公司、遍布全國的售后服務網點,為您及時便捷實現上門無憂售后服務;
優勢三:為國內多家知名大中型工業企業、航天工業企業提供國際工業自動化控制檢測設備及工業稱重系統和傳感器設備儀表,緊密依托中科院及清華大學的技術支持合作交流。技術、產品可靠值得信賴;
優勢四:鄭重承諾:三個月內產品有質量問題無條件退換貨;
優勢五:資深工程師為您提供全方位完善的一條龍銷售服務指導,售前專業方案設計、產品選型指導,售中安裝調試,售后三年上門免費跟蹤維修服務;
優勢六:全國優勢價格支持銷售,凡在我們公司購買產品,如果同類產品高于主流市場價格,我們雙倍補還差價,性價比高!
優勢七:我公司在國外設有7個境外專業采購中心,保證原裝進口,貨期快捷,價格具有優勢,可靠、放心
優勢八:我公司代理經銷169個品牌,全國同類產品系列全、品種多、多家知名企業中國合作伙伴代理。
托利多SSH-100kg稱重傳感器詳細信息請點擊:Mettler Toledo稱重傳感器可查找了解SSH傳感器具體技術參數及相關系列產品型號等信息。
【廣州★南創】公司:有賣梅特勒托利多Mettler Toledo SSH-100kg稱重傳感器生產廠家價格,SSH-100kg傳感器多少錢打020-82303306供應商 電話了解信息,現貨原裝進口、保證滿意!
SSH-100kg稱重傳感器是本公司的重點優勢產品之一,擁有絕對優勢價格,現貨、原裝、正品、可靠!保證滿意價格質量!
產品品牌:梅特勒托利多SSH-100kg 稱重傳感器
產品類別:梅特勒托利多單點式稱重傳感器
產品系列:托利多稱重傳感器SSH-100kg系列
產品價格:電議或面議

托利多稱重傳感器SSH-100kg技術指標:
SSH-100kg稱重傳感器空載輸出 mV/V @R.C. 2 ± 0.2
額定輸出 mV/V @R.C. 2 ± 0.2
SSH-100kg傳感器重復性誤差 %R.C. ≤ 0.01
SSH-100kg稱重傳感器蠕變,30分鐘 %A.L. 2) ≤ 0.016
SSH-100kg傳感器安全負荷 %R.C. 100
SSH-100kg稱重傳感器防護等級 IP68
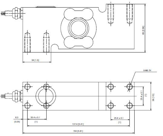
梅特勒托利多SSH-100kg稱重傳感器選型圖:



Mettler Toledo SSH-100kg稱重傳感器主要特性:
托利多稱重傳感器SSH-100kg是選擇合適的食品或制藥行業的日常沖洗是必要的。它提供了最好的在一個密封的稱重性能不銹鋼密封負載稱重。因此,它是理想的不銹鋼鱗片或一般稱重應用中最高的保護知識產權、耐腐蝕等級是必需的。
METTLER TOLEDO SSH-100kg一個負載傳感器可以用來支持稱重平臺,由于偏心負載補償,ssh將重量在公差范圍內無論負載應用點。
傳感器SSH-100kg是一個非常強大的單點適用于幾乎所有的工業負荷細胞環境。它允許50%個靜態過載沒有妥協的稱重性能。.
SSH負載細胞的特征:
•偏心負載補償(R76)
•OIML R60 C3的批準(200和500公斤)
•到平臺尺寸800x1200毫米
•IP68防護等級
•不銹鋼
•50-1000kg容量范圍
SSH是地板的理想解和尺度在一個密封包裝過程稱重不銹鋼密封負載細胞所需的苛刻化學和沖洗環境。由于低姿態融入任何系統是容易的。大容量范圍及大平臺尺寸允許工業稱重應用廣泛的應用。
托利多稱重傳感器SSH-100kg所有型號:
托利多稱重傳感器SSH-50
梅特勒托利多SSH-100
托利多SSH-200稱重傳感器
METTLER TOLEDO稱重傳感器SSH-500
METTLER TOLEDO SSH-1000
稱重傳感器SSH-100kg
托利多SSH-100kg
稱重傳感器SSH-100kg
梅特勒托利多SSH-100kg
稱重傳感器SSH-100kg
SSH系列稱重傳感器其他相關型號及量程具體詳細信息:
GD-30t 請點擊:GD-30t稱重傳感器
如果您對SSH-100kg 稱重傳感器現貨、價格、產品資料、圖片、貨期、發貨方式、托利多SSH-100kg 稱重傳感器技術參數有什么疑問,請 我們銷售商獲取梅特勒托利多SSH-100kg稱重傳感器最新信息歡迎來電咨詢專業負責原裝進口SSH-100kg傳感器相關負責工程師,
本站內容未經許可禁止復制轉載!©2002 廣州南創電子科技有限公司
聯系電話:020-82303306 公司傳真:020-82303511下班及雙休日請撥打各品牌負責人電話電話詳情
備案號: 粵ICP備11086172號-1